2017-2018

schwarz und weiß – grau und weiß

#1

#2

#3

#4

#5

#6

#7

#8

#9

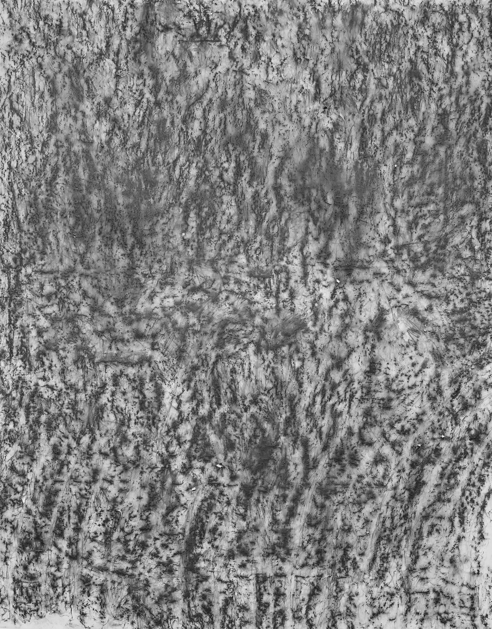
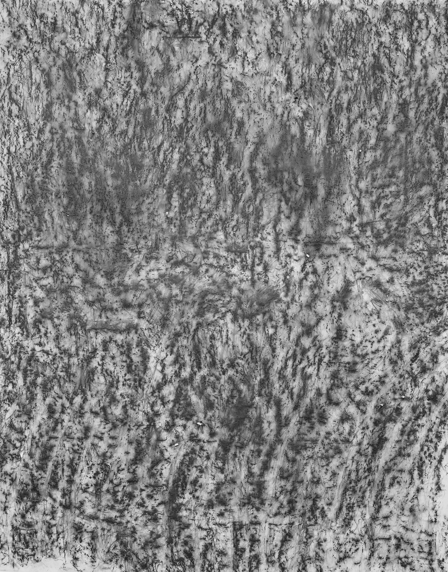
Form, Struktur und Oberfläche bestimmen als maßgebliche Parameter die Arbeiten schwarz und weiß und grau und weiß. Sie sind das Ergebnis eines experimentellen Umgangs mit fotografischem Material und den diversen Möglichkeiten, sich in dieses einzuschreiben. In schwarz und weiß wird eine fotografisch erzeugte Aufnahme durch Zeichnungen ergänzt, die als Frottagen mit dem Graphitstift auf Pergament erzeugt wurden. Als Motiv für die fotografische Aufzeichnung wurde die Abformung eines Kohlestrebs ausgewählt, der sich durch eine besondere Struktur, Schwärze und glänzende Oberflächenbeschaffenheit auszeichnet. Die händisch erstellten Frottagen sind am gleichen Gegenstand wie die klassische Fotografie abgenommen.
schwarz und weiß befragt das technische Bild der Fotografie somit als lediglich eine Darstellung von Wirklichkeit und experimentiert mit weiteren Möglichkeiten der Aufzeichnung. Sie sucht damit die Nähe zu grafischen Verfahren.

In weiteren Experimenten, grau und weiß, werden die Motivelemente der Frottagen zu einer freien Komposition zusammengefügt. Entstanden ist ein großformatiger Druck auf Stoff, der die Elemente der Frottage aufnimmt, aber mittels Digital Compositing nach grafischen Gesichtspunkten neu ordnet.

Schwarz und weiß (Kohlenstoß)
2017
#1
172 X 220 cm
analoger C-Print

2018
#2-5
175-185 X 220 cm
Graphit auf Pergament

Grau und weiß (Kohlenstoß)
2018
#6
250 × 700 cm
Sublimationsdruck auf Stoff

Ausstellungsansichten
#7
„Der Punkt an dem das Bild an das Reale rührt“, Ausstellung 2018, SANAA, Copyright: Hella Schneider

#8
„Der Punkt an dem das Bild an das Reale rührt“, Ausstellung 2018, SANAA, Copyright: Max Füllbier

#9
„Der Punkt an dem das Bild an das Reale rührt“, Ausstellung 2018, SANAA,
Copyright: Max Füllbier